Rapid Block Pettiti - Cerniera per Inferriate Ambidestra ad Innesto Rapido
La cerniera
RAPID BLOCK Pettiti è realizzata in zama con
perno centrale in acciaio INOX consente un assemblaggio rapido all’interno del telaio dell’anta senza ricorrere a saldature o avvitature.
L’
innovativo sistema di fissaggio consente di bloccare gli spintori contro le pareti interne dello scatolato semplicemente avvitando il tirante nascosto
all’interno del corpo della cerniera rendendola un tutt’uno con il telaio.
Lo stesso sistema permette lo sgancio rapido della cerniera per eventuali operazioni di manutenzione.
Il fissaggio
resiste alle vibrazioni indotte dal normale utilizzo dell’inferriata.
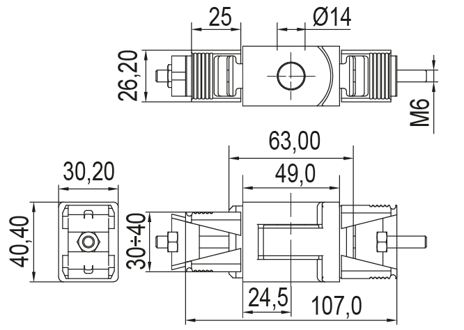
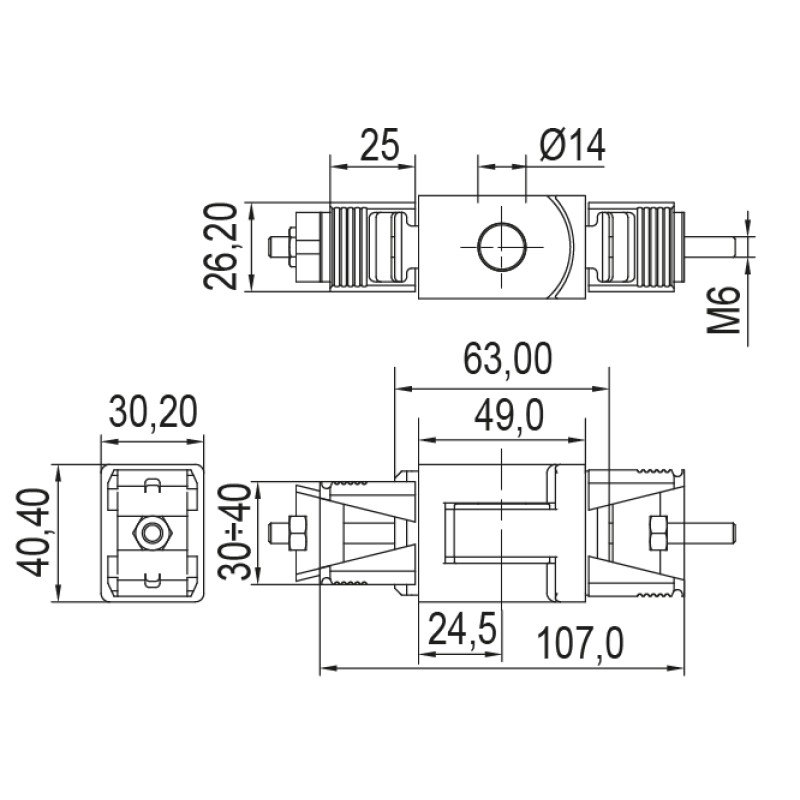
La cerniera RAPID BLOCK è adatta agli scatolati di sezione 40x30 con spessore parete di 1,5/2mm.
Con Rapid Block non dovrai più effettuare saldature!
Estremamente
facile da montare. Non è necessario ricorrere a saldature e alle successive molature.
Essendo
ambidestra si riducono i problemi di montaggio ed immagazzinamento. Perno centrale estraibile per permettere la verniciatura e la manutenzione anche ad inferriata installata.
Vantaggi cerniera per inferriate Rapid Block Pettiti
- Non si salda più, pertanto non è necessaria la presenza di un saldatore e l’utilizzo di dischetti ed elettrodi;
- Elimina i tagli a 45°- Riduce il tempo di realizzazione dell’inferiata;
- Elimina eventuali imperfezioni dell’assemblaggio;
- Esteticamente lineare e moderna;
- Smontabile in un secondo momento;
- Economica;
- Unico articolo da utilizzare per ogni movimento dell’inferriata;
- Ambidestra;
- Tagli scatolato simmetrici rispetto al perno della cerniera;
- Verniciabile.
Dati tecnici Rapid Block
- Scatolato 40x30mm;
- Spessore scatolato 1,5/2,5mm;
- Perno in acciaio INOX;
- Corpo in ZAMA;
- Resistenza al taglio: 39000N.
Pettiti Giuseppe: accessori per inferriate
Scopri una vasta scelta di accessori per persiane realizzati da Pettiti Giuseppe, azienda italiana leader nella produzione di accessori per porte scorrevoli e serramenti metallici. La produzione degli articoli Pettiti avviene in Italia: la sede principale si trova infatti a Settimo Torinese (Torino). Nel mondo il marchio Pettiti è presente in oltre 50 nazioni.
